科技立异
首页 > 生产谋划 > 科技立异
孟村矿自制无动力回程皮带除尘装置
克日,孟村矿设计了一套回程皮带综合除尘装置,可以实时整理回程皮带外貌附着的粉尘,镌汰皮带运行历程中的扬尘爆发和皮带磨损,做到了回程皮带清洁运行,有用解决矿井中央大巷粉尘污染问题。

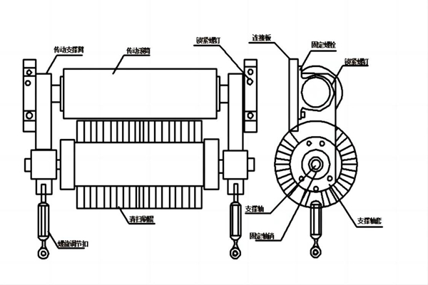
据相识,该矿以前接纳的防尘方法包括转载点喷雾、净化水幕、捕尘网及人工冲尘等要领,保存一连冲尘会造成皮带跑偏洒煤、皮带打滑等不清静问题,同时积水会造成皮带寿命缩短,职工整理事情量增大等问题。为此,该矿设计了一套回程皮带综合除尘装置,由喷雾清洁模组、无动力转动毛刷及除水模组组成,喷雾装置首先对回程皮带举行预湿及冲洗,然后无动力转动毛刷对皮带外貌内的煤尘举行清扫,实现回程皮带全方位煤尘整理,同时使用二级清扫器对皮带外貌水渍举行整理,最大限度镌汰了因冲尘引起皮带打滑的征象,并且转动毛刷可一连清扫,针对煤渣粉末无需动力且故障率低。
该矿在中央皮带运输大巷一部皮带机头装置回程皮带除尘装置后,团结转载点喷雾、净化水幕等多项步伐配合作用下,极大地镌汰了巷道粉尘飞扬,并有用解决了因冲水量多而造成积水,洒煤、跑偏打滑等征象,确保了皮带的清静运转,同时进一步减轻了职工的劳动强度,优化了现场作业情形和周边情形,包管了矿井清静生产和职工职业卫生康健。
下一步,该矿将以建设“无尘化矿井”为目的,强化基础管理,加大投入力度,起劲构建科学合理的综合防尘管理系统,把最后治理变为超前提防。同时坚持“科技兴企、人才强企”生长目的,起劲勉励全体干部职工围绕灾难治理等方面,举行小刷新、小立异、小发明,在矿区营造发明创造、手艺刷新、节约资源的优异气氛。(白晓敏 郝杰)
编辑:达文娟


