²«ÌìÌÃapp¹ÙÍø

ÄúºÃ£¬»¶Ó­½øÈ벫ÌìÌÃapp¹ÙÍø¹ÙÍø£¡
¼¯ÍŹÙÍø| ²«ÌìÌÃapp¹ÙÍø¼Íί
²©ÌìÌÃapp

¿Æ¼¼Á¢Òì

Ê×Ò³ > Éú²úı»® > ¿Æ¼¼Á¢Òì
Сׯ¿ó£ºÊÖÒÕÁ¢ÒìΪ²ÉÃæÇ徲ĩ²É±£¼Ý»¤º½
Ðû²¼Ê±¼ä£º2023-07-19 11:47:45     ×÷ÕߣºÄþ³¬ ñ㿬ãä   ä¯ÀÀÁ¿£º11240   ·ÖÏíµ½£º

¿ËÈÕ£¬Ð¡×¯¿ó×۲ɶÓÊÖÒÕ¹¥¹ØÐ¡×éÕë¶Ô40302ÊÂÈËÇéºóÆÚ»Ø²ÉÀú³ÌÖб¬·¢µÄÖÖÖÖÎÊÌ⣬פ×ã¸Úλ£¬Èº²ßȺÁ¦£¬ÒÔÊÖÒÕÁ¢Òì°ü¹Ü²ÉÃæÇå¾²»Ø²É¡£

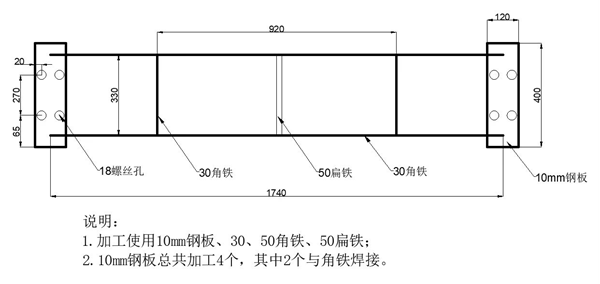
1 Ƥ´ø×Ý˺±£»¤×°ÖÃ_¸±±¾.png

Ƥ´ø×Ý˺±£»¤×°ÖÃÌáÉýÇ徲ϵÊý¡£Æ¤´ø×Ý˺±£»¤×÷ΪƤ´øµÄ°Ë´ó±£»¤Ö®Ò»£¬¶ÔƤ´øµÄÇå¾²ÔËÐÐÆðµ½ÖÁ¹ØÖ÷ÒªµÄ×÷Óã¬È»¶øÔÚÇ°ÒÆ×Ý˺±£»¤×°ÖõÄÀú³ÌÖУ¬ÓÉÓÚÆ¤´øÕñ¶¯¡¢»¨¼Ü²ð³ýµÈÔµ¹ÊÔ­Óɵ¼Ö¸Ã×°Öñ¬·¢Ðα䣬¸øÆ¤´øÇå¾²ÔËÐм°Ä¥Á·Ôì³ÉºÜ´óÓ°Ïì¡£

Ϊȷ±£×Û²ÉÊÂÈËÇ鯤´øµÄÇå¾²ÔËÐУ¬¸ÃС×éˢмӹ¤Ò»ÖÖÆ¤´ø×Ý˺±£»¤Àο¿×°Öã¬Í¨¹ý½«½ÇÌú¡¢¸Ö°å¡¢±âÌúµÈÖÊÁϾÙÐи߱ê×¼×éºÏ¼Ó¹¤³ÉÀο¿×°Öÿò¼Ü£¬±ÜÃâ±äÐμ°×Ý˺±£»¤µôÂ䣬ÓÃÂÝË¿½«¸Ö°åÀο¿£¬±ÜÃâÆ¤´øÔÚÔËÐÐÀú³ÌÖÐÒò×Ý˺±£»¤Çãб¶øÒýÆðÖØÔØÆ¤´ø×èÖ¹ÔËÐУ¬Ìá¸ßÁËÔËÐÐÇ徲ϵÊý¡£

2 ¸Ü¸Ë¸Ç°åѹ¿é_¸±±¾.png

¸Ü¸Ë¸Ç°åѹ¿éÈ·±£×°±¸¿É¿¿ÔËÐС£²Éú»úÀ­¸Ü¶ÏÁÑ¡¢±äÐÎÑÏÖØÓ°Ïì²ÉÃæÕý³£Éú²ú£¬²»µ«»áÔì³ÉÉú²úÎóʱ£¬»¹ÔöÌíÁËÖ°¹¤µÄÀͶ¯Ç¿¶È¡£Îª½â¾öÕâÒ»ÎÊÌ⣬¸Ã¶ÓÊÖÒÕ¹¥¹ØÐ¡×é¶Ô²Éú»ú¾ÙÐÐÏÖ³¡ÊӲ죬ÆÊÎöµÃ³öÁËú»úÀ­¸ÜÒ×ËðµÄÖ÷ÒªÔµ¹ÊÔ­ÓÉÊÇÀ­¸ÜÖв¿Î´½ÓÄÉÓÐÓÃÀο¿£¬Í¨¹ýÉè¼ÆÒ»Öָܸ˸ǰåѹ¿é£¬½«Ãº»úÀ­¸ÜÀο¿ÔÚÀ­¸Ü²ÛÓë»úÉíÖ®¼ä£¬Ê¹À­¸ÜÉϲ¿ÊÜÁ¦£¬±ÜÃâ²Éú»úÔÚÐÐ×ßÀú³ÌÖÐÉÏÏ»ζ¯¡£¸ÃÁ¢Òì³¹µ×½â¾öÁ˲Éú»úÀ­¸ÜÒ×Ë𻵵ÄÎÊÌ⣬×èÖ¹ÇÀÐÞËð»µÀ­¸ÜʱµÄ×÷ҵΣº¦£¬ÎªÕý¹æÉú²ú¡¢Õý¹æÄ¥Á·¡¢Õý¹æÑ­»·Ìṩ°ü¹Ü¡££¨Äþ³¬ ñ㿬ã䣩


±à¼­£º´ïÎľê


µØÖ·£ºÏÌÑôÊÀ¼Í´óµÀÖжÎ58ºÅ²«ÌìÌÃapp¹ÙÍø´óÏà µç»°£º029-33191500 ´«Õ棺029-33191501
ÉÂICP±¸19005658-2 COPYRIGHT@201 ²«ÌìÌÃapp¹ÙÍø °æÈ¨ËùÓÐ ALL RIGHTS RESERVED
ɹ«Íø°²±¸ 61040202000465ºÅ    ÊÖÒÕÖ§³Ö£º¹è·åÍøÂç
ÍøÕ¾µØÍ¼